Общие
Единица измерения
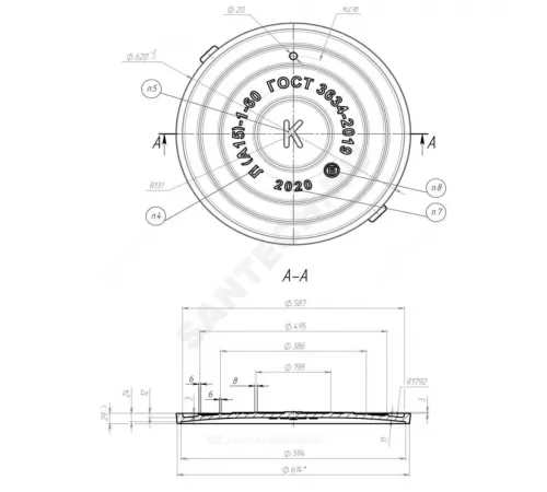
штИнженерная система
ВодоотведениеКласс нагрузки
А15Масса нетто
52 кгМатериал
чугунНагрузка номинальная
15 кННоменклатурный номер
004-0501Обозначение инженерной сети
К – бытовая и производственная канализацияОписание класс нагрузки
Зоны зеленых насаждений, Пешеходные зоны, Велосипедные дорожки, Благоустройство дворовСтрана происхождения
РоссияТип
Л (легкий)Условное обозначение
Л(А15)-1-60Центральный склад Видное
163 штГабариты и вес
Отзывов: 0
Нет отзывов о данном товаре.
Вопросов: 0
Пока нет вопросов об этом товаре. Станьте первым!
Полезный текст. Возможно это таблица размеров, условия доставки или оплаты. А может что-то еще.
Похожие товары
Вы недавно смотрели
Водонагреватель электрический накопительный 60 л 1,5 кВт TitaniumHeat 60V Slim THERMEX ЭдЭБ01020
TitaniumHeat 60V Slim
9390 р
